IMRI

crumbs_icon

>

>

GB/T 1591 H-Beam Steel Q355 Structural Construction

GB/T 1591 H-Beam Steel Q355 Structural Construction

GB/T 1591 H-Beam Steel Q355B represents China’s premium-grade low-alloy high-strength structural steel, manufactured in strict compliance with the GB/ T 1591-2018 national standard. This hot-rolled H-section steel offers superior mechanical properties for demanding construction applications.

Email:

sales@imristeel.com

Phone:

+86 13646172523

Quote Now
Product Detail
Chemical Component
Related Products

Product Details

CategorySpecification
Product nameGB/T 1591 H-Beam Steel Q355B Structural Construction
StandardGB/T1591-2018(China)
GradeQ355B
Common Sizes 
-HW(Wide Flange)100x100mm to 400x400mm
-HM(Medium Flange)1 50x100mm to 600x300mm
-HN(Narrow Flange)100x50mm to 900x300mm
Surface QualityFree fromcracks,scars,andharmful defects
TolerancesComplies with GB/T11263 Class 1(Higherprecision)
ApplicationsHigh-rise buildings,bridges,industrial plants ,heavy machinery frameworks

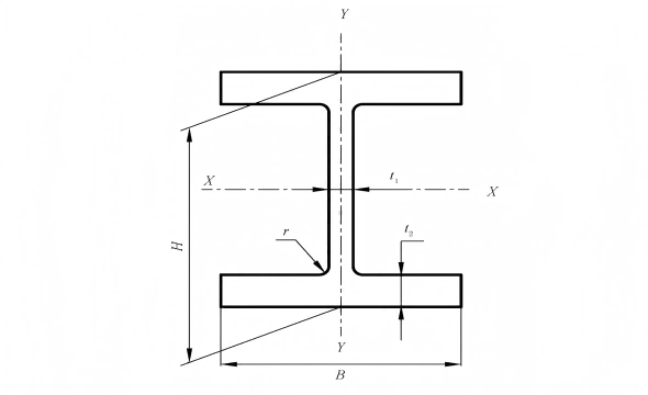
Symbol description:

H-Height;

B-Width;

t1–Thickness of the abdominal plate;

t2–Wing edge thickness;

r–radius of circle;

X-X — horizontal axis of gravity;

Y-Y — vertical axis of gravity.

Chemical Component

MarkChemical Composition (mass fraction)/%
 

 

Grade Steel

 

Quality

Grade

CaSiMnPCSCNbdVeTieCrNiCuMoNfB
The following nominal thickness or diameter is in mm 

Not much more than that

≤40b>40
Not much more than that
 

 

Q355

B0 .24 

0 .55

 

1 .60

0 .0350 .035 

 

 

 

 

 

 

0 .30

 

0 .30

 

0 .40

 

 

0 .012 

 

C0 .200 .220 .0300 .030
D0 .200 .220 .0250 .025
 

 

Q390

B 

0 .20

 

0 .55

 

1 .70

0 .0350 .035 

0 .05

 

0 .13

 

0 .05

 

0 .30

 

0 .50

 

0 .40

 

0 .10

 

0 .015

 

 

C0 .0300 .030
D0 .0250 .025
 

Q420g

B 

0 .20

 

0 .55

 

1 .70

0 .0350 .035 

0 .05

 

0 .13

 

0 .05

 

0 .30

 

0 .80

 

0 .40

 

0 .20

 

0 .015

 

C0 .0300 .030
Q460gC0 .200 .551 .800 .0300 .0300 .050 .130 .050 .300 .800 .400 .200 .0150 .004
a For steel sections with nominal thickness greater than 100 mm, the carbon content may be determined by both parties through negotiation.

b Steel with nominal thickness greater than 30 mm, carbon content not greater than 0.22%.

c For steel sections and bars, the upper limit of phosphorus and sulfur content can be increased by 0.005%.

d Q390 and Q420 can reach up to 0.07%, and Q460 can reach up to 0.11%.

e It can go up to 0.20%.

f If the content of acid soluble aluminum Als in steel is not less than 0.015%, or the content of all aluminum Alt is not less than 0.020%, or other solid nitrogen alloy elements are added, the content of nitrogen is not limited, and the solid nitrogen elements should be indicated in the quality certificate.

g Only applicable to sections and bars.