IMRI

crumbs_icon

>

>

GB/T 11263 H Beam Steel

GB/T 11263 H Beam Steel

H-Beam Steel (also called H-section steel or wide flange beam) is a structural steel profile with an “H”-shaped cross-section, consisting of two parallel flanges (horizontal plates) connected by a web (vertical plate). It is widely use in construction, bridges, industrial frameworks, and heavy-load structures due to its high strength-to-weight ratio and excellent load-bearing capacity.

Email:

sales@imristeel.com

Phone:

+86 13646172523

Quote Now
Symbol Description
Allowable Deviation and Application
Related Products

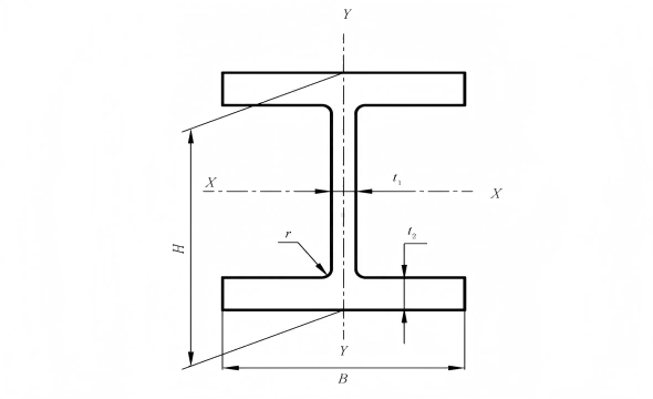
Symbol Description

H-Height;

B-Width;

t1–Thickness of the abdominal plate;

t2–Wing edge thickness;

r–radius of circle;

X-X — horizontal axis of gravity;

Y-Y — vertical axis of gravity.

 

 

H-shaped steel size, shape and allowable deviation(GB/T 11263—2024)

ProjectAllowable DeviationGraphic
 

 

 

Height H

H<400±2. 0 

 

 

 

 

 

 

 

 

400≤H<600±3. 0
600≤H<1 000±4. 0
1 000≤H<1 200±5. 0
H≥1 200±6. 0
 

 

 

Width B

B<100±2. 0
100≤B<200±2. 5
200≤B<400±3. 0
400≤B<500±4. 0
B≥500±5. 0
 

 

 

 

 

 

 

 

Thickness

 

 

 

 

t1

t1<5±0. 5
5≤t1<16±0. 7
16≤t1<25±1. 0
25≤t1<40±1. 5
40≤t1<60±2. 0
t1 ≥60±3. 0
 

 

 

 

t2

t2<5±0. 7
5≤t2<16±1. 0
16≤t2<25±1. 5
25≤t2<40±1. 7
40≤t2<60±2. 0
t2 ≥60±4. 0
 

 

 

Length

 

≤7 m

 

+60

0

 

 

 

 

 

 

>7 m

When the length is increased by 1m or less than 1m, the positive deviation shall be added by 5mm on the above basis
 

 

 

 

Eave slope

T perhaps T’

 

 

H≤300

 

B≤150

 

≤1. 5

 

B>150

 

<1. 0%B

 

 

H>300

 

B≤125

 

≤1. 5

 

B>125

 

≤1. 2%B

Dimensions, shapes and allowable deviations of H-shaped steel (continued)(GB/T 11263—2024)

Unit:mm

ProjectAllowable DeviationGraphic
 

 

 

 

Bending

(For large bending up and down, left and right)

 

 

H≤300

 

 

No more than 0.15% of the length

 

 

 

 

 

H>300

 

 

No more than 0.10% of the length

 

 

 

 

Central Deviation

S

 

B≤200

H≤300≤2. 5 

 

 

 

S|

 

 

 

H>300≤3. 5
 

200<B≤450

H≤1 000≤3. 5
H>1 000≤4. 0
B>450≤5. 0
 

 

 

The abdominal panel is bent

W

H<400≤2. 0
400≤H<600≤2. 5
H≥600≤3. 0
 

 

 

 

 

The belly panel is wavy

Δt1

 

H<400

 

≤2. 0

 

 

 

400≤H<600

 

≤2. 5

 

600≤H<1 000

 

≤3. 0

 

H≥1 000

 

≤3. 5

 

 

Dimensions, shapes and allowable deviations of H-shaped steel (continued)(GB/T 11263—2024)

Unit:mm

ProjectAllowable DeviationGraphic
 

 

 

 

The wing is bent

F

 

 

B≤400

 

 

≤1. 5

 

 

 

 

B>400

 

 

≤2. 5

 

 

 

 

End face slope

E and E’

 

 

E

H≤200≤3. 0
H>200≤1. 6%H
 

 

E’

B≤200≤3. 0
B>200≤1. 6%B
 

 

Cylindrical passivation of wing end

 

The diameter should not be equal

0. 18t2 bar passed

Note 1: The size and shape deviation classification is based on the nominal size of the section.

Note 2: The bend is measured along the end of the flange.

Note 3: “D” is the diameter of the round rod.

 

Applications of H-Beam Steel

  1. Building & Construction

Skyscrapers – Core columns (HW), transfer beams (HM/HN).

Factories & Warehouses – Roof frames, crane rails (Q355B+).

Stadiums & Malls – Long-span structures.

 

  1. Bridges & Infrastructure

Highway/Railway Bridges – Main girders (HN), piers (HW).

Pedestrian Bridges – Lightweight & durable designs.

 

  1. Energy Projects

Power Plants – Boiler supports (Q420B+).

Wind Turbines – Tower internals (Q355D/Q460D).

 

  1. Transportation

Subway Tunnels – Temporary bracing.

Port Cranes – Heavy-duty runway beams.

 

  1. Machinery & Equipment

Crane Arms – High-strength steel (Q690).

Shipbuilding – Hull reinforcements.

 

  1. Temporary Structures

Prefab Shelters – Fast assembly.

Greenhouses – Lightweight frames.